首页
中国疏浚
协会简介
协会章程
组织机构
协会标志
专业委员会
期刊电子版
联系我们
会员单位
政策法规
会员介绍
会员动态
加入协会
会员单位
协会动态
协会通知
国内会议
协会动态
团体标准
供需资讯
新闻聚焦
年终回眸
行业资讯
重大工程
市场信息
高端专访
专家论生态
国际视野
国际要闻
国际会议
工程装备
疏浚装备
经典工程
创新工程
创新成果
百年百典
行业精英
2020资深专家
2018资深专家
2017技术专家
2018技术专家
申请指南
2017青年才俊
2018青年才俊
2017青年人才
2018青年人才
党建工作
党建活动
中文简体
ENGLISH
搜索
首页
中国疏浚
协会简介
协会章程
组织机构
协会标志
专业委员会
期刊电子版
联系我们
会员单位
政策法规
会员介绍
会员动态
加入协会
会员单位
协会动态
协会通知
国内会议
协会动态
团体标准
供需资讯
新闻聚焦
年终回眸
行业资讯
重大工程
市场信息
高端专访
专家论生态
国际视野
国际要闻
国际会议
工程装备
疏浚装备
经典工程
创新工程
创新成果
百年百典
行业精英
2020资深专家
2018资深专家
2017技术专家
2018技术专家
申请指南
2017青年才俊
2018青年才俊
2017青年人才
2018青年人才
党建工作
党建活动
中文简体
|
ENGLISH
协会通知
首页
>>
协会动态
>>
协会通知
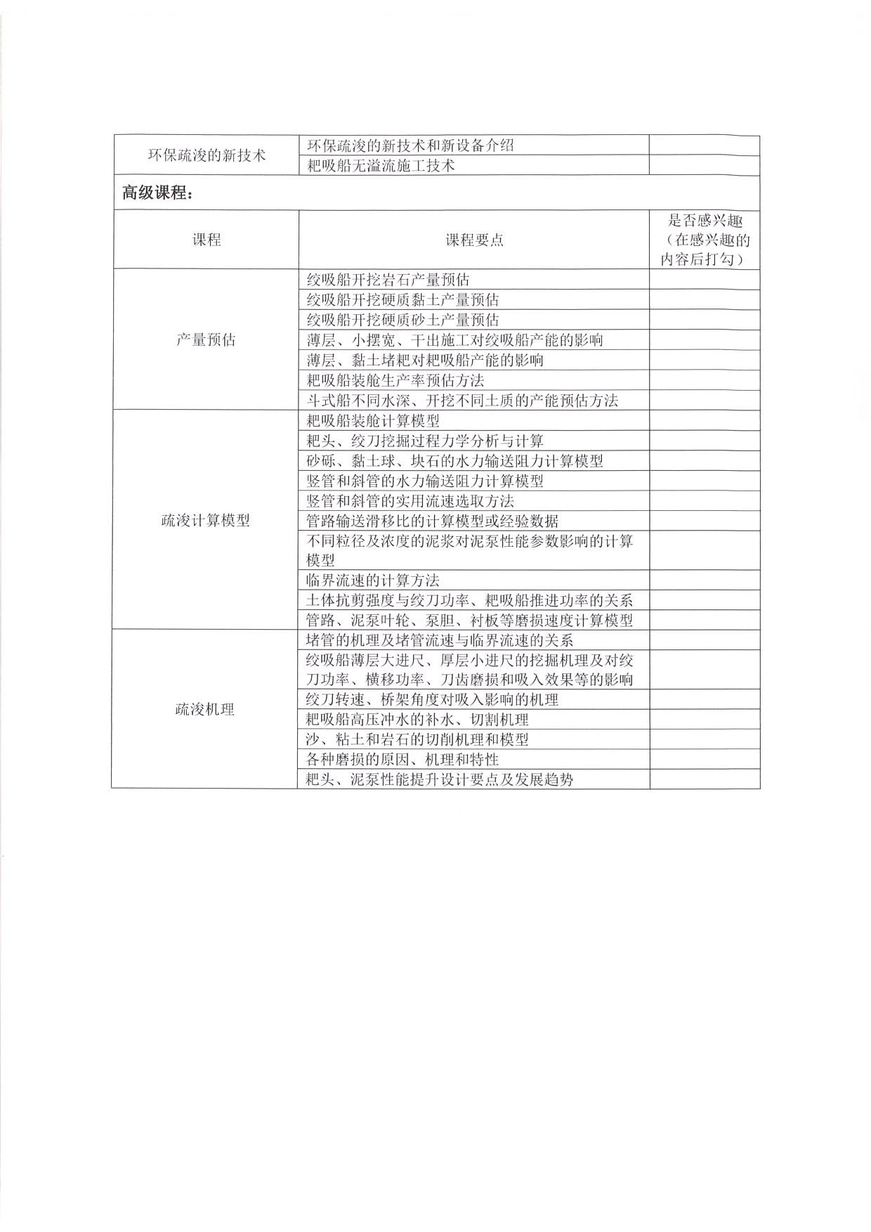
关于填写疏浚技术培训调查问卷的通知
时间:2020-07-21 点击:次
艾曲西 - 关于填写疏浚技术培训调查问卷的通知-最终版
上一篇:
关于开展环保疏浚定额编制需求调查的通知(中疏协字〔2020〕21号)
下一篇:
关于收集吹填造地项目历史资料数据的通知